Find Your Nearest Timken Sales Office or Authorized Distributor

Our locator tool helps you connect with the right Timken partner quickly. Registered users
can save their nearest Timken Sales office or distributor in their dashboard.

Analyze Bearing Performance in an Application with Timken ® Syber ® Bearing System Designer

A powerful software tool that combines calculators and configurators to assist you with application design, bearing selection, installation, and troubleshooting. It’s free, easy-to-use, and accessible 24/7.

Learn More
Explore Timken Engineering Tools
Videos on YouTube

Check out our Engineering Tools video playlist on YouTube. These short walkthroughs
help you navigate Timken calculation tools, selection guides and digital resources.

Batch CAD Cart (0)
  • Cart is empty
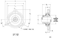
Item Details : Item # RFD 5/8 , Fafnir® Three-Bolt Flanged Mounted Bearings Eccentric Locking Collar