COMPANY HEADER
CAD (0)
  • Cart is empty
Request Information Add to CAD Cart
Unit of Measure

Specifications

Series

N/A Medium-Duty

Shaft Size d

N/A 1 3/4 in

Bearing Number

N/A GRA112RRB

Housing Construction

N/A Four-Bolt Square Flange

Alternate Part Name

N/A VFD1 3/4

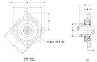
Dimensions

Total Length H

N/A 149.2 mm5.875 in

Housing Width A

N/A 28.6 mm1.125 in

Flange Thickness A1

N/A 15.9 mm0.625 in

Bolt Hole Spacing

N/A 120.6 mm4.75 in

Bolt Hole Size N

N/A 13.5 mm0.531 in

Dimension B1

N/A 43.7 mm1.72 in

Dimension S1

N/A 32.7 mm1.287 in

Dimension E

N/A 48.4 mm1.906 in

Dimension d1

N/A 63.5 mm2.5 in

Bolt Size

N/A M12

Basic Load Ratings

Static Load Rating

N/A 20500 N4600 lbf

Dynamic Load Rating

N/A 36300 N8160 lbf