
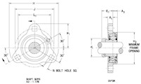
Series |
N/A Medium-Duty |
Shaft Size d |
N/A 1/2 in |
Bearing Number |
N/A GRA008RRB |
Housing Construction |
N/A Three-Bolt Square Flange |
Alternate Part Name |
N/A GVFDR 1/2 |
Total Length H |
N/A 81 mm3.188 in |
Housing Width A |
N/A 17.5 mm0.688 in |
Flange Thickness A1 |
N/A 9.5 mm0.375 in |
Bolt Hole Spacing |
N/A 63.5 mm2.5 in |
Bolt Hole Size N |
N/A 7.1 mm0.281 in |
Dimension B1 |
N/A 28.6 mm1.126 in |
Dimension S1 |
N/A 22.1 mm0.87 in |
Dimension E |
N/A 31.8 mm1.25 in |
Dimension d1 |
N/A 28.6 mm1.126 in |
Bolt Size |
N/A M12 |