Aerospace / Military Commercial / Industrial Technical Resources Online Catalog
Engineers power search our entire catalog of bearing and bushings, with access to every attribute and technical specification possible. View our online catalog...
CAD (0)
  • Cart is empty
 
Unit of Measure

Specifications

Engineering Group

N/A Mounted Bearing

Bearing Number

N/A 22218

Shaft Size

N/A 3 3/16 in

Shaft Size Type

N/A Imperial

Full Timken Part Number

N/A TACK18K303SB TACK18K303SC TACK18K303SEB TACK18K303SEC TACK18K303SEM TACK18K303SEN TACK18K303SEO TACK18K303SET TACK18K303SM TACK18K303SN TACK18K303SO TACK18K303ST

Locking Style

N/A Tapered Adapter

Housing Construction

N/A Piloted Flange Cartridge

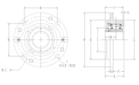
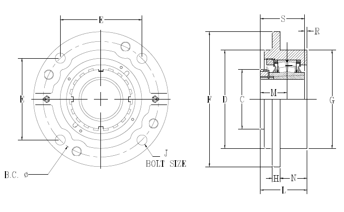
Dimensions

Dimension BC

N/A 9.38 in238.3 mm

Dimension C

N/A 4.72 in120 mm

Dimension D

N/A 8 in203.2 mm

Dimension E

N/A 6.63 in168.4 mm

Dimension F

N/A 10.88 in276.4 mm

Dimension G

N/A 8.125 in206.5 mm

Dimension H

N/A 0.75 in19.1 mm

Dimension J (Bolt Size)

N/A 0.75 in20 mm

Dimension L

N/A 3.42 in86.9 mm

Dimension M

N/A 2.05 in52 mm

Dimension N

N/A 1.38 in34.9 mm

Dimension R

N/A 0.03 in0.8 mm

Dimension S

N/A 3.39 in86 mm

Radial and Thrust Factors

C0 - Static Load

N/A 87200 lbf388000 N

C - Dynamic Load (Basic)

N/A 79700 lbf355000 N

e - Geometry Factor

N/A 0.23

Y1 - Geometry Factor

N/A 2.90

Y2 - Geometry Factor

N/A 4.31

Engineering Seal Speed

Oil Lubrication - M/N Seal

N/A 1400 rpm

Oil Lubrication - T Seal

N/A 2400 rpm

Oil Lubrication - B/C/O Seal

N/A 1000 rpm

Grease Lubrication - M/N Seal

N/A 1400 rpm

Grease Lubrication - T Seal

N/A 2000 rpm

Grease Lubrication - B/C/O Seal

N/A 1000 rpm

Engineering Bearing Attributes

Float

N/A 0.083 in2.108 mm

Shaft Tolerance

N/A 0.0030 in0.076 mm

Engineering Internal Radial Clearance

Eng Internal Radial Clearance - Min

N/A 0.0024

Eng Internal Radial Clearance - Max

N/A 0.0039

Pre Install Clearance Min

N/A 0.060 in0.0024 mm

Pre Install Clearance Max

N/A 0.100 in0.0039 mm