Discover the New “My Dashboard” Experience

Join Eric Stasiowski, manager – online marketing & ecommerce, to see how you can save key items like documents, bearings, and distributor locations directly to your account.

View Video
Analyze Bearing Performance in an Application with Timken ® Syber ® Bearing System Designer

A powerful software tool that combines calculators and configurators to assist you with application design, bearing selection, installation, and troubleshooting. It’s free, easy-to-use, and accessible 24/7.

Learn More
Simplified Gear Force Analysis

Alex Waye, Timken Application Engineer, shows you how to instantly compute tangential, radial, and axial forces for better design decisions.

View Video
Batch CAD Cart (0)
  • Cart is empty
Unit of Measure

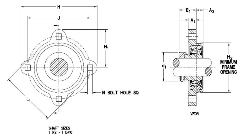
Specifications

Series

N/A Medium-Duty

Shaft Size d

N/A 1 3/4 in

Bearing Number

N/A GRA112RRB

Housing Construction

N/A Four-Bolt Square Flange

Alternate Part Name

N/A VFDR1 3/4

Dimensions

Total Length H

N/A 149.2 mm5.875 in

Housing Width A

N/A 28.6 mm1.125 in

Flange Thickness A1

N/A 15.9 mm0.625 in

Bolt Hole Spacing

N/A 120.6 mm4.75 in

Bolt Hole Size N

N/A 13.5 mm0.531 in

Dimension B1

N/A 43.7 mm1.72 in

Dimension S1

N/A 32.7 mm1.287 in

Dimension E

N/A 48.4 mm1.906 in

Dimension d1

N/A 63.5 mm2.5 in

Bolt Size

N/A M12

Basic Load Ratings

Static Load Rating

N/A 20500 N4600 lbf

Dynamic Load Rating

N/A 36300 N8160 lbf
By clicking Submit, you consent to the personal information you provide being used in the manner as described in our Privacy Notice, including access to that information by Timken personnel who may be located outside your home country. In addition, you agree that the CAD drawings are for your personal, one-time use only, and that you will not modify or create any compilation or derivative work using the CAD drawings or distribute or display the CAD drawings on any website or other media.