Smarter Bearing Selection Is Here

The Timken ® Syber ® Bearing System Designer Tool now features Smart Selection, enabling users to find the right bearing faster by filtering options based on target life and key dimensions.

Learn More
Analyze Bearing Performance in an Application with Timken ® Syber ® Bearing System Designer

A powerful software tool that combines calculators and configurators to assist you with application design, bearing selection, installation, and troubleshooting. It’s free, easy-to-use, and accessible 24/7.

Learn More
Simplified Gear Force Analysis

Alex Waye, Timken Application Engineer, shows you how to instantly compute tangential, radial, and axial forces for better design decisions.

View Video
Batch CAD Cart (0)
  • Cart is empty
Unit of Measure

Specifications

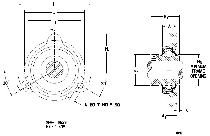
Series

N/A Medium-Duty

Shaft Size d

N/A 5/8 in

Bearing Number

N/A G1010KRRB

Housing Construction

N/A Three-Bolt Square Flange

Alternate Part Name

N/A RFD 5/8

Dimensions

Total Length H

N/A 81 mm3.188 in

Housing Width A

N/A 17.5 mm0.688 in

Flange Thickness A1

N/A 9.5 mm0.375 in

Bolt Hole Spacing

N/A 63.5 mm2.5 in

Bolt Hole Size N

N/A 7.1 mm0.281 in

Dimension K

N/A 4.4 mm0.172 in

Dimension B1

N/A 37.3 mm1.469 in

Dimension S1

N/A 23.4 mm0.921 in

Dimension d1

N/A 28.6 mm1.126 in

Bolt Size

N/A M12

Basic Load Ratings

Static Load Rating

N/A 4700 N1070 lbf

Dynamic Load Rating

N/A 10700 N2380 lbf
By clicking Submit, you consent to the personal information you provide being used in the manner as described in our Privacy Notice, including access to that information by Timken personnel who may be located outside your home country. In addition, you agree that the CAD drawings are for your personal, one-time use only, and that you will not modify or create any compilation or derivative work using the CAD drawings or distribute or display the CAD drawings on any website or other media.