Aerospace / Military Commercial / Industrial Technical Resources Online Catalog
Engineers power search our entire catalog of bearing and bushings, with access to every attribute and technical specification possible. View our online catalog...
CAD (0)
  • Cart is empty
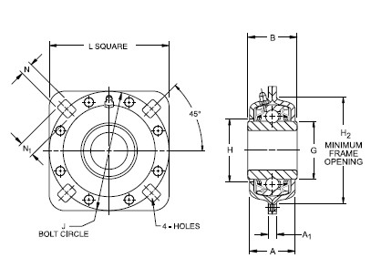
The answer to versatility in design.
For extra-special design needs, this unit incorporates a Tri-Ply bearing mounted in two stampings, riveted together with two o-rings.
Available in two basic size groups, one incorporating a 209 and the other a 211 bearing.
Both Size groups offer these features.
  • Dynamic alignment capability.
  • Shroud effect from close clearance of stamping to inner ring.
  • Relubrication.
  • One unit piece for ease of handling and assembly.
  • Fitting flange mates with outer ring milled recess, preventing possibility of outer ring circumferential movement.
  • Stampings are case hardened to minimize wear.
  • Units are equipped with nylon retainer, molded one-piece seals and patented notched outer ring seal grooves.
  • 1 - 14 of 14 | Results Per Page | View | Unit of Measure
    1 
    Clear Filter

    Shaft Diameter (mm)

    Shaft Diameter (in)

    Bore Shape

    CE - Extended Dynamic Load Rating (N)

    CE - Extended Dynamic Load Rating (lbf)

    Part Number

    Shaft Diameter

    C0 - Static Radial Rating

    CE - Extended Dynamic Load Rating

    Housing Construction

    CAD

    N/A 1 1/8 in N/A 18000 N4000 lbf N/A 36500 N8150 lbf N/A One Unit Piece Housing N/A CAD Icon (for items table)
    N/A 30 mm N/A 18000 N4000 lbf N/A 36500 N8150 lbf N/A One Unit Piece Housing N/A CAD Icon (for items table)
    N/A 1 1/4 in N/A 18000 N4000 lbf N/A 36500 N8150 lbf N/A One Unit Piece Housing N/A CAD Icon (for items table)
    N/A 1 1/2 in N/A 18000 N4000 lbf N/A 36500 N8150 lbf N/A One Unit Piece Housing N/A CAD Icon (for items table)
    N/A 1 1/2 in N/A 25000 N5600 lbf N/A 48000 N10800 lbf N/A One Unit Piece Housing N/A CAD Icon (for items table)
    N/A 40 mm N/A 18000 N4000 lbf N/A 36500 N8150 lbf N/A One Unit Piece Housing N/A CAD Icon (for items table)
    N/A 40 mm N/A 25000 N5600 lbf N/A 48000 N10800 lbf N/A One Unit Piece Housing N/A CAD Icon (for items table)
    N/A 1 3/4 in N/A 18000 N4000 lbf N/A 36500 N8150 lbf N/A One Unit Piece Housing N/A CAD Icon (for items table)
    N/A 1 3/4 in N/A 18000 N4000 lbf N/A 36500 N8150 lbf N/A One Unit Piece Housing N/A CAD Icon (for items table)
    N/A 1 3/4 in N/A 25000 N5600 lbf N/A 48000 N10800 lbf N/A One Unit Piece Housing N/A CAD Icon (for items table)
    N/A 45 mm N/A 18000 N4000 lbf N/A 36500 N8150 lbf N/A One Unit Piece Housing N/A CAD Icon (for items table)
    N/A 50 mm N/A 25000 N5600 lbf N/A 48000 N10800 lbf N/A One Unit Piece Housing N/A CAD Icon (for items table)
    N/A 55 mm N/A 25000 N5600 lbf N/A 48000 N10800 lbf N/A One Unit Piece Housing N/A CAD Icon (for items table)
    N/A 2 3/16 in N/A 25000 N5600 lbf N/A 48000 N10800 lbf N/A One Unit Piece Housing N/A CAD Icon (for items table)
    1 - 14 of 14 | Results Per Page | View | Unit of Measure
    1