Discover the New “My Dashboard” Experience

Join Eric Stasiowski, manager – online marketing & ecommerce, to see how you can save key items like documents, bearings, and distributor locations directly to your account.

View Video
Analyze Bearing Performance in an Application with Timken ® Syber ® Bearing System Designer

A powerful software tool that combines calculators and configurators to assist you with application design, bearing selection, installation, and troubleshooting. It’s free, easy-to-use, and accessible 24/7.

Learn More
Simplified Gear Force Analysis

Alex Waye, Timken Application Engineer, shows you how to instantly compute tangential, radial, and axial forces for better design decisions.

View Video
Batch CAD Cart (0)
  • Cart is empty
Unit of Measure

Specifications

Engineering Group

N/A Mounted Bearing

Bearing Number

N/A 22217

Shaft Size

N/A 3 in

Shaft Size Type

N/A Imperial

Locking Style

N/A Double Nut Tapered Adapter

Housing Construction

N/A Take-Up

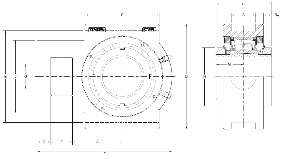
Dimensions

Dimension A

N/A 3.68 in93.6 mm

Dimension C

N/A 1 in25.4 mm

Dimension D

N/A 7.81 in198.4 mm

Dimension E

N/A 6.81 in173 mm

Dimension F

N/A 1.63 in41.3 mm

Dimension G

N/A 1.88 in47.6 mm

Dimension H

N/A 4.33 in110 mm

Dimension J

N/A 5.38 in136.5 mm

Dimension L

N/A 10 in254 mm

Dimension MT

N/A 1.98 in50.2 mm

Dimension P

N/A 5.5 in139.7 mm

Dimension RTT

N/A 0.63 in16 mm

Dimension S

N/A 1.81 in46 mm

Dimension UT

N/A 4.12 in104.3 mm

Radial and Thrust Factors

C0 - Static Load

N/A 71900 lbf320000 N

C - Dynamic Load (Basic)

N/A 66900 lbf297000 N

e - Geometry Factor

N/A 0.22

Y1 - Geometry Factor

N/A 3.07

Y2 - Geometry Factor

N/A 4.57

Engineering Seal Speed

Oil Lubrication - M/N Seal

N/A 1400 rpm

Oil Lubrication - T Seal

N/A 2400 rpm

Oil Lubrication - B/C/O Seal

N/A 1100 rpm

Grease Lubrication - M/N Seal

N/A 1400 rpm

Grease Lubrication - T Seal

N/A 2000 rpm

Grease Lubrication - B/C/O Seal

N/A 1100 rpm

Engineering Bearing Attributes

Float

N/A 0.083 in2.108 mm

Shaft Tolerance

N/A 0.0020 in0.051 mm

Engineering Internal Radial Clearance

Eng Internal Radial Clearance - Min

N/A 0.0037

Eng Internal Radial Clearance - Max

N/A 0.0047

Pre Install Clearance Min

N/A 0.0037 in0.095 mm

Pre Install Clearance Max

N/A 0.0047 in0.120 mm
By clicking Submit, you consent to the personal information you provide being used in the manner as described in our Privacy Notice, including access to that information by Timken personnel who may be located outside your home country. In addition, you agree that the CAD drawings are for your personal, one-time use only, and that you will not modify or create any compilation or derivative work using the CAD drawings or distribute or display the CAD drawings on any website or other media.