Discover the New “My Dashboard” Experience

Join Eric Stasiowski, manager – online marketing & ecommerce, to see how you can save key items like documents, bearings, and distributor locations directly to your account.

View Video
Analyze Bearing Performance in an Application with Timken ® Syber ® Bearing System Designer

A powerful software tool that combines calculators and configurators to assist you with application design, bearing selection, installation, and troubleshooting. It’s free, easy-to-use, and accessible 24/7.

Learn More
Simplified Gear Force Analysis

Alex Waye, Timken Application Engineer, shows you how to instantly compute tangential, radial, and axial forces for better design decisions.

View Video
Batch CAD Cart (0)
  • Cart is empty
Unit of Measure

Specifications

Engineering Group

N/A Mounted Bearing

Bearing Number

N/A 22211

Shaft Size

N/A 2 in

Shaft Size Type

N/A Imperial

Full Timken Part Number

N/A TATU11K200SB TATU11K200SC TATU11K200SEB TATU11K200SEC TATU11K200SEM TATU11K200SEN TATU11K200SEO TATU11K200SET TATU11K200SM TATU11K200SN TATU11K200SO TATU11K200ST

Locking Style

N/A Tapered Adapter

Housing Construction

N/A Take-Up

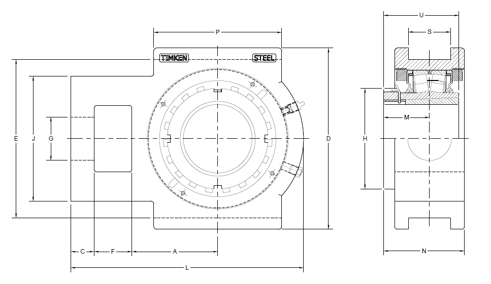
Dimensions

Dimension A

N/A 2.5 in63 mm

Dimension C

N/A 0.88 in22.2 mm

Dimension D

N/A 5.25 in133.4 mm

Dimension E

N/A 4.5 in114.3 mm

Dimension F

N/A 1.25 in31.8 mm

Dimension G

N/A 1.38 in34.9 mm

Dimension H

N/A 2.95 in74.9 mm

Dimension J

N/A 3.88 in98.4 mm

Dimension L

N/A 7.13 in180 mm

Dimension M

N/A 1.4 in35.6 mm

Dimension N

N/A 2.59 in65.8 mm

Dimension P

N/A 3.75 in95.3 mm

Dimension S

N/A 0.81 in20.6 mm

Dimension U

N/A 2.32 in58.9 mm

Radial and Thrust Factors

C0 - Static Load

N/A 31900 lbf142000 N

C - Dynamic Load (Basic)

N/A 31400 lbf140000 N

e - Geometry Factor

N/A 0.23

Y1 - Geometry Factor

N/A 2.95

Y2 - Geometry Factor

N/A 4.40

Engineering Seal Speed

Oil Lubrication - M/N Seal

N/A 2200 rpm

Oil Lubrication - T Seal

N/A 3800 rpm

Oil Lubrication - B/C/O Seal

N/A 1600 rpm

Grease Lubrication - M/N Seal

N/A 2200 rpm

Grease Lubrication - T Seal

N/A 3200 rpm

Grease Lubrication - B/C/O Seal

N/A 1600 rpm

Engineering Bearing Attributes

Float

N/A 0.050 in1.270 mm

Shaft Tolerance

N/A 0.0015 in0.038 mm

Engineering Internal Radial Clearance

Eng Internal Radial Clearance - Min

N/A 0.0016

Eng Internal Radial Clearance - Max

N/A 0.0026

Pre Install Clearance Min

N/A 0.0016 in0.040 mm

Pre Install Clearance Max

N/A 0.0026 in0.065 mm
By clicking Submit, you consent to the personal information you provide being used in the manner as described in our Privacy Notice, including access to that information by Timken personnel who may be located outside your home country. In addition, you agree that the CAD drawings are for your personal, one-time use only, and that you will not modify or create any compilation or derivative work using the CAD drawings or distribute or display the CAD drawings on any website or other media.