CAD (0)
▾
1 2
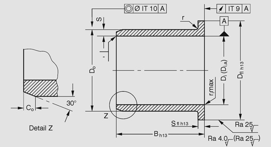
Part Number |
B Middle h13 Tolerance |
Do |
Di |
Di,a max. in H7 |
Di,a min. in H7 |
Dfl |
Sfl |
CAD |
|---|---|---|---|---|---|---|---|---|
| BB0505EP | B Middle h13 Tolerance N/A 4.91 mm | Do N/A 7 mm | Di N/A 5 mm | Di,a max. in H7 N/A 5.105 mm | Di,a min. in H7 N/A 5.03 mm | Dfl N/A 10.815 mm | Sfl N/A 0.93 mm |
CAD
N/A
|
| BB0604EP | B Middle h13 Tolerance N/A 3.91 mm | Do N/A 8 mm | Di N/A 6 mm | Di,a max. in H7 N/A 6.105 mm | Di,a min. in H7 N/A 6.03 mm | Dfl N/A 11.815 mm | Sfl N/A 0.93 mm |
CAD
N/A
|
| BB0606EP | B Middle h13 Tolerance N/A 5.91 mm | Do N/A 8 mm | Di N/A 6 mm | Di,a max. in H7 N/A 6.105 mm | Di,a min. in H7 N/A 6.03 mm | Dfl N/A 11.815 mm | Sfl N/A 0.93 mm |
CAD
N/A
|
| BB0608EP | B Middle h13 Tolerance N/A 7.89 mm | Do N/A 8 mm | Di N/A 6 mm | Di,a max. in H7 N/A 6.105 mm | Di,a min. in H7 N/A 6.03 mm | Dfl N/A 11.815 mm | Sfl N/A 0.93 mm |
CAD
N/A
|
| BB0610EP | B Middle h13 Tolerance N/A 9.89 mm | Do N/A 8 mm | Di N/A 6 mm | Di,a max. in H7 N/A 6.105 mm | Di,a min. in H7 N/A 6.03 mm | Dfl N/A 11.815 mm | Sfl N/A 0.93 mm |
CAD
N/A
|
| BB0806EP | B Middle h13 Tolerance N/A 5.41 mm | Do N/A 10 mm | Di N/A 8 mm | Di,a max. in H7 N/A 8.13 mm | Di,a min. in H7 N/A 8.04 mm | Dfl N/A 14.815 mm | Sfl N/A 0.93 mm |
CAD
N/A
|
| BB0808EP | B Middle h13 Tolerance N/A 7.39 mm | Do N/A 10 mm | Di N/A 8 mm | Di,a max. in H7 N/A 8.13 mm | Di,a min. in H7 N/A 8.04 mm | Dfl N/A 14.815 mm | Sfl N/A 0.93 mm |
CAD
N/A
|
| BB0810EP | B Middle h13 Tolerance N/A 9.89 mm | Do N/A 10 mm | Di N/A 8 mm | Di,a max. in H7 N/A 8.13 mm | Di,a min. in H7 N/A 8.04 mm | Dfl N/A 14.815 mm | Sfl N/A 0.93 mm |
CAD
N/A
|
| BB1007EP | B Middle h13 Tolerance N/A 6.89 mm | Do N/A 12 mm | Di N/A 10 mm | Di,a max. in H7 N/A 10.13 mm | Di,a min. in H7 N/A 10.04 mm | Dfl N/A 17.815 mm | Sfl N/A 0.93 mm |
CAD
N/A
|
| BB1009EP | B Middle h13 Tolerance N/A 8.89 mm | Do N/A 12 mm | Di N/A 10 mm | Di,a max. in H7 N/A 10.13 mm | Di,a min. in H7 N/A 10.04 mm | Dfl N/A 17.815 mm | Sfl N/A 0.93 mm |
CAD
N/A
|
| BB1012EP | B Middle h13 Tolerance N/A 11.865 mm | Do N/A 12 mm | Di N/A 10 mm | Di,a max. in H7 N/A 10.13 mm | Di,a min. in H7 N/A 10.04 mm | Dfl N/A 17.815 mm | Sfl N/A 0.93 mm |
CAD
N/A
|
| BB1015EP | B Middle h13 Tolerance N/A 14.865 mm | Do N/A 12 mm | Di N/A 10 mm | Di,a max. in H7 N/A 10.13 mm | Di,a min. in H7 N/A 10.04 mm | Dfl N/A 17.815 mm | Sfl N/A 0.93 mm |
CAD
N/A
|
| BB1017EP | B Middle h13 Tolerance N/A 16.865 mm | Do N/A 12 mm | Di N/A 10 mm | Di,a max. in H7 N/A 10.13 mm | Di,a min. in H7 N/A 10.04 mm | Dfl N/A 17.815 mm | Sfl N/A 0.93 mm |
CAD
N/A
|
| BB1207EP | B Middle h13 Tolerance N/A 6.89 mm | Do N/A 14 mm | Di N/A 12 mm | Di,a max. in H7 N/A 12.16 mm | Di,a min. in H7 N/A 12.05 mm | Dfl N/A 19.77 mm | Sfl N/A 0.93 mm |
CAD
N/A
|
| BB1209EP | B Middle h13 Tolerance N/A 8.89 mm | Do N/A 14 mm | Di N/A 12 mm | Di,a max. in H7 N/A 12.16 mm | Di,a min. in H7 N/A 12.05 mm | Dfl N/A 19.77 mm | Sfl N/A 0.93 mm |
CAD
N/A
|
| BB1212EP | B Middle h13 Tolerance N/A 11.865 mm | Do N/A 14 mm | Di N/A 12 mm | Di,a max. in H7 N/A 12.16 mm | Di,a min. in H7 N/A 12.05 mm | Dfl N/A 19.77 mm | Sfl N/A 0.93 mm |
CAD
N/A
|
| BB1215EP | B Middle h13 Tolerance N/A 14.865 mm | Do N/A 14 mm | Di N/A 12 mm | Di,a max. in H7 N/A 12.16 mm | Di,a min. in H7 N/A 12.05 mm | Dfl N/A 19.77 mm | Sfl N/A 0.93 mm |
CAD
N/A
|
| BB1217EP | B Middle h13 Tolerance N/A 16.865 mm | Do N/A 14 mm | Di N/A 12 mm | Di,a max. in H7 N/A 12.16 mm | Di,a min. in H7 N/A 12.05 mm | Dfl N/A 19.77 mm | Sfl N/A 0.93 mm |
CAD
N/A
|
| BB1220EP | B Middle h13 Tolerance N/A 19.835 mm | Do N/A 14 mm | Di N/A 12 mm | Di,a max. in H7 N/A 12.16 mm | Di,a min. in H7 N/A 12.05 mm | Dfl N/A 19.77 mm | Sfl N/A 0.93 mm |
CAD
N/A
|
| BB1412EP | B Middle h13 Tolerance N/A 11.865 mm | Do N/A 16 mm | Di N/A 14 mm | Di,a max. in H7 N/A 14.16 mm | Di,a min. in H7 N/A 14.05 mm | Dfl N/A 21.77 mm | Sfl N/A 0.93 mm |
CAD
N/A
|
| BB1417EP | B Middle h13 Tolerance N/A 16.865 mm | Do N/A 16 mm | Di N/A 14 mm | Di,a max. in H7 N/A 14.16 mm | Di,a min. in H7 N/A 14.05 mm | Dfl N/A 21.77 mm | Sfl N/A 0.93 mm |
CAD
N/A
|
| BB1509EP | B Middle h13 Tolerance N/A 8.89 mm | Do N/A 17 mm | Di N/A 15 mm | Di,a max. in H7 N/A 15.16 mm | Di,a min. in H7 N/A 15.05 mm | Dfl N/A 22.77 mm | Sfl N/A 0.93 mm |
CAD
N/A
|
| BB1512EP | B Middle h13 Tolerance N/A 11.865 mm | Do N/A 17 mm | Di N/A 15 mm | Di,a max. in H7 N/A 15.16 mm | Di,a min. in H7 N/A 15.05 mm | Dfl N/A 22.77 mm | Sfl N/A 0.93 mm |
CAD
N/A
|
| BB1517EP | B Middle h13 Tolerance N/A 16.865 mm | Do N/A 17 mm | Di N/A 15 mm | Di,a max. in H7 N/A 15.16 mm | Di,a min. in H7 N/A 15.05 mm | Dfl N/A 22.77 mm | Sfl N/A 0.93 mm |
CAD
N/A
|
| BB1520EP | B Middle h13 Tolerance N/A 19.835 mm | Do N/A 17 mm | Di N/A 15 mm | Di,a max. in H7 N/A 15.16 mm | Di,a min. in H7 N/A 15.05 mm | Dfl N/A 22.77 mm | Sfl N/A 0.93 mm |
CAD
N/A
|
1 2

