CAD (0)
▾
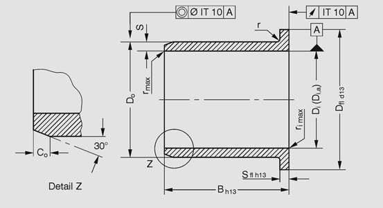
GGB EP43 flanged bushes
GGB EP43
1 2
Part Number |
B Middle h13 Tolerance |
Do |
dfl |
Di |
Di,a max. in middle H7 |
Di,a min. in middle H7 |
sfl |
CAD |
|---|---|---|---|---|---|---|---|---|
| BB0806EP43 | B Middle h13 Tolerance N/A 5.41 mm | Do N/A 10 mm | dfl N/A 14.815 mm | Di N/A 8 mm | Di,a max. in middle H7 N/A 8.071 mm | Di,a min. in middle H7 N/A 8.013 mm | sfl N/A 0.93 mm |
CAD
N/A
|
| BB0808EP43 | B Middle h13 Tolerance N/A 7.39 mm | Do N/A 10 mm | dfl N/A 14.815 mm | Di N/A 8 mm | Di,a max. in middle H7 N/A 8.071 mm | Di,a min. in middle H7 N/A 8.013 mm | sfl N/A 0.93 mm |
CAD
N/A
|
| BB0810EP43 | B Middle h13 Tolerance N/A 9.89 mm | Do N/A 10 mm | dfl N/A 14.815 mm | Di N/A 8 mm | Di,a max. in middle H7 N/A 8.071 mm | Di,a min. in middle H7 N/A 8.013 mm | sfl N/A 0.93 mm |
CAD
N/A
|
| BB1007EP43 | B Middle h13 Tolerance N/A 6.89 mm | Do N/A 12 mm | dfl N/A 17.815 mm | Di N/A 10 mm | Di,a max. in middle H7 N/A 10.071 mm | Di,a min. in middle H7 N/A 10.013 mm | sfl N/A 0.93 mm |
CAD
N/A
|
| BB1009EP43 | B Middle h13 Tolerance N/A 8.89 mm | Do N/A 12 mm | dfl N/A 17.815 mm | Di N/A 10 mm | Di,a max. in middle H7 N/A 10.071 mm | Di,a min. in middle H7 N/A 10.013 mm | sfl N/A 0.93 mm |
CAD
N/A
|
| BB1012EP43 | B Middle h13 Tolerance N/A 11.865 mm | Do N/A 12 mm | dfl N/A 17.815 mm | Di N/A 10 mm | Di,a max. in middle H7 N/A 10.071 mm | Di,a min. in middle H7 N/A 10.013 mm | sfl N/A 0.93 mm |
CAD
N/A
|
| BB1015EP43 | B Middle h13 Tolerance N/A 14.865 mm | Do N/A 12 mm | dfl N/A 17.815 mm | Di N/A 10 mm | Di,a max. in middle H7 N/A 10.071 mm | Di,a min. in middle H7 N/A 10.013 mm | sfl N/A 0.93 mm |
CAD
N/A
|
| BB1017EP43 | B Middle h13 Tolerance N/A 16.865 mm | Do N/A 12 mm | dfl N/A 17.815 mm | Di N/A 10 mm | Di,a max. in middle H7 N/A 10.071 mm | Di,a min. in middle H7 N/A 10.013 mm | sfl N/A 0.93 mm |
CAD
N/A
|
| BB1207EP43 | B Middle h13 Tolerance N/A 6.89 mm | Do N/A 14 mm | dfl N/A 19.77 mm | Di N/A 12 mm | Di,a max. in middle H7 N/A 12.086 mm | Di,a min. in middle H7 N/A 12.016 mm | sfl N/A 0.93 mm |
CAD
N/A
|
| BB1209EP43 | B Middle h13 Tolerance N/A 8.89 mm | Do N/A 14 mm | dfl N/A 19.77 mm | Di N/A 12 mm | Di,a max. in middle H7 N/A 12.086 mm | Di,a min. in middle H7 N/A 12.016 mm | sfl N/A 0.93 mm |
CAD
N/A
|
| BB1212EP43 | B Middle h13 Tolerance N/A 11.865 mm | Do N/A 14 mm | dfl N/A 19.77 mm | Di N/A 12 mm | Di,a max. in middle H7 N/A 12.086 mm | Di,a min. in middle H7 N/A 12.016 mm | sfl N/A 0.93 mm |
CAD
N/A
|
| BB1215EP43 | B Middle h13 Tolerance N/A 14.865 mm | Do N/A 14 mm | dfl N/A 19.77 mm | Di N/A 12 mm | Di,a max. in middle H7 N/A 12.086 mm | Di,a min. in middle H7 N/A 12.016 mm | sfl N/A 0.93 mm |
CAD
N/A
|
| BB1217EP43 | B Middle h13 Tolerance N/A 16.865 mm | Do N/A 14 mm | dfl N/A 19.77 mm | Di N/A 12 mm | Di,a max. in middle H7 N/A 12.086 mm | Di,a min. in middle H7 N/A 12.016 mm | sfl N/A 0.93 mm |
CAD
N/A
|
| BB1220EP43 | B Middle h13 Tolerance N/A 19.835 mm | Do N/A 14 mm | dfl N/A 19.77 mm | Di N/A 12 mm | Di,a max. in middle H7 N/A 12.086 mm | Di,a min. in middle H7 N/A 12.016 mm | sfl N/A 0.93 mm |
CAD
N/A
|
| BB1412EP43 | B Middle h13 Tolerance N/A 11.865 mm | Do N/A 16 mm | dfl N/A 21.77 mm | Di N/A 14 mm | Di,a max. in middle H7 N/A 14.086 mm | Di,a min. in middle H7 N/A 14.016 mm | sfl N/A 0.93 mm |
CAD
N/A
|
| BB1417EP43 | B Middle h13 Tolerance N/A 16.865 mm | Do N/A 16 mm | dfl N/A 21.77 mm | Di N/A 14 mm | Di,a max. in middle H7 N/A 14.086 mm | Di,a min. in middle H7 N/A 14.016 mm | sfl N/A 0.93 mm |
CAD
N/A
|
| BB1509EP43 | B Middle h13 Tolerance N/A 8.89 mm | Do N/A 17 mm | dfl N/A 22.77 mm | Di N/A 15 mm | Di,a max. in middle H7 N/A 15.086 mm | Di,a min. in middle H7 N/A 15.016 mm | sfl N/A 0.93 mm |
CAD
N/A
|
| BB1512EP43 | B Middle h13 Tolerance N/A 11.865 mm | Do N/A 17 mm | dfl N/A 22.77 mm | Di N/A 15 mm | Di,a max. in middle H7 N/A 15.086 mm | Di,a min. in middle H7 N/A 15.016 mm | sfl N/A 0.93 mm |
CAD
N/A
|
| BB1517EP43 | B Middle h13 Tolerance N/A 16.865 mm | Do N/A 17 mm | dfl N/A 22.77 mm | Di N/A 15 mm | Di,a max. in middle H7 N/A 15.086 mm | Di,a min. in middle H7 N/A 15.016 mm | sfl N/A 0.93 mm |
CAD
N/A
|
| BB1520EP43 | B Middle h13 Tolerance N/A 19.835 mm | Do N/A 17 mm | dfl N/A 22.77 mm | Di N/A 15 mm | Di,a max. in middle H7 N/A 15.086 mm | Di,a min. in middle H7 N/A 15.016 mm | sfl N/A 0.93 mm |
CAD
N/A
|
| BB1617EP43 | B Middle h13 Tolerance N/A 16.865 mm | Do N/A 18 mm | dfl N/A 23.77 mm | Di N/A 16 mm | Di,a max. in middle H7 N/A 16.086 mm | Di,a min. in middle H7 N/A 16.016 mm | sfl N/A 0.93 mm |
CAD
N/A
|
| BB2012EP43 | B Middle h13 Tolerance N/A 11.365 mm | Do N/A 23 mm | dfl N/A 29.77 mm | Di N/A 20 mm | Di,a max. in middle H7 N/A 20.104 mm | Di,a min. in middle H7 N/A 20.02 mm | sfl N/A 1.43 mm |
CAD
N/A
|
| BB2017EP43 | B Middle h13 Tolerance N/A 16.365 mm | Do N/A 23 mm | dfl N/A 29.77 mm | Di N/A 20 mm | Di,a max. in middle H7 N/A 20.104 mm | Di,a min. in middle H7 N/A 20.02 mm | sfl N/A 1.43 mm |
CAD
N/A
|
| BB2022EP43 | B Middle h13 Tolerance N/A 21.335 mm | Do N/A 23 mm | dfl N/A 29.77 mm | Di N/A 20 mm | Di,a max. in middle H7 N/A 20.104 mm | Di,a min. in middle H7 N/A 20.02 mm | sfl N/A 1.43 mm |
CAD
N/A
|
| BB2512EP43 | B Middle h13 Tolerance N/A 11.365 mm | Do N/A 28 mm | dfl N/A 34.725 mm | Di N/A 25 mm | Di,a max. in middle H7 N/A 25.104 mm | Di,a min. in middle H7 N/A 25.02 mm | sfl N/A 1.43 mm |
CAD
N/A
|
1 2

