Join Eric Stasiowski, manager – online marketing & ecommerce, to see how you can save key items like documents, bearings, and distributor locations directly to your account.
A powerful software tool that combines calculators and configurators to assist you with application design, bearing selection, installation, and troubleshooting. It’s free, easy-to-use, and accessible 24/7.
Alex Waye, Timken Application Engineer, shows you how to instantly compute tangential, radial, and axial forces for better design decisions.
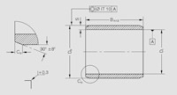
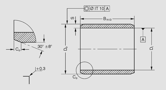
Part Number |
B Middle h13 Tolerance |
Do |
Di |
Di,a max. in middle H7 |
Di,a min. in middle H7 |
ep |
CAD |
|---|---|---|---|---|---|---|---|
| 0806EP63 | B Middle h13 Tolerance N/A 5.91 mm | Do N/A 10 mm | Di N/A 8 mm | Di,a max. in middle H7 N/A 8.071 mm | Di,a min. in middle H7 N/A 8.013 mm | ep N/A 1 mm |
CAD
N/A |
| 0808EP63 | B Middle h13 Tolerance N/A 7.89 mm | Do N/A 10 mm | Di N/A 8 mm | Di,a max. in middle H7 N/A 8.071 mm | Di,a min. in middle H7 N/A 8.013 mm | ep N/A 1 mm |
CAD
N/A |
| 0810EP63 | B Middle h13 Tolerance N/A 9.89 mm | Do N/A 10 mm | Di N/A 8 mm | Di,a max. in middle H7 N/A 8.071 mm | Di,a min. in middle H7 N/A 8.013 mm | ep N/A 1 mm |
CAD
N/A |
| 0812EP63 | B Middle h13 Tolerance N/A 11.865 mm | Do N/A 10 mm | Di N/A 8 mm | Di,a max. in middle H7 N/A 8.071 mm | Di,a min. in middle H7 N/A 8.013 mm | ep N/A 1 mm |
CAD
N/A |
| 0815EP63 | B Middle h13 Tolerance N/A 14.865 mm | Do N/A 10 mm | Di N/A 8 mm | Di,a max. in middle H7 N/A 8.071 mm | Di,a min. in middle H7 N/A 8.013 mm | ep N/A 1 mm |
CAD
N/A |
| 1004EP63 | B Middle h13 Tolerance N/A 3.91 mm | Do N/A 12 mm | Di N/A 10 mm | Di,a max. in middle H7 N/A 10.071 mm | Di,a min. in middle H7 N/A 10.013 mm | ep N/A 1 mm |
CAD
N/A |
| 1006EP63 | B Middle h13 Tolerance N/A 5.91 mm | Do N/A 12 mm | Di N/A 10 mm | Di,a max. in middle H7 N/A 10.071 mm | Di,a min. in middle H7 N/A 10.013 mm | ep N/A 1 mm |
CAD
N/A |
| 1008EP63 | B Middle h13 Tolerance N/A 7.89 mm | Do N/A 12 mm | Di N/A 10 mm | Di,a max. in middle H7 N/A 10.071 mm | Di,a min. in middle H7 N/A 10.013 mm | ep N/A 1 mm |
CAD
N/A |
| 1010EP63 | B Middle h13 Tolerance N/A 9.89 mm | Do N/A 12 mm | Di N/A 10 mm | Di,a max. in middle H7 N/A 10.071 mm | Di,a min. in middle H7 N/A 10.013 mm | ep N/A 1 mm |
CAD
N/A |
| 1015EP63 | B Middle h13 Tolerance N/A 14.865 mm | Do N/A 12 mm | Di N/A 10 mm | Di,a max. in middle H7 N/A 10.071 mm | Di,a min. in middle H7 N/A 10.013 mm | ep N/A 1 mm |
CAD
N/A |
| 1020EP63 | B Middle h13 Tolerance N/A 19.835 mm | Do N/A 12 mm | Di N/A 10 mm | Di,a max. in middle H7 N/A 10.071 mm | Di,a min. in middle H7 N/A 10.013 mm | ep N/A 1 mm |
CAD
N/A |
| 1210EP63 | B Middle h13 Tolerance N/A 9.89 mm | Do N/A 14 mm | Di N/A 12 mm | Di,a max. in middle H7 N/A 12.086 mm | Di,a min. in middle H7 N/A 12.016 mm | ep N/A 1 mm |
CAD
N/A |
| 1212EP63 | B Middle h13 Tolerance N/A 11.865 mm | Do N/A 14 mm | Di N/A 12 mm | Di,a max. in middle H7 N/A 12.086 mm | Di,a min. in middle H7 N/A 12.016 mm | ep N/A 1 mm |
CAD
N/A |
| 1215EP63 | B Middle h13 Tolerance N/A 14.865 mm | Do N/A 14 mm | Di N/A 12 mm | Di,a max. in middle H7 N/A 12.086 mm | Di,a min. in middle H7 N/A 12.016 mm | ep N/A 1 mm |
CAD
N/A |
| 1220EP63 | B Middle h13 Tolerance N/A 19.835 mm | Do N/A 14 mm | Di N/A 12 mm | Di,a max. in middle H7 N/A 12.086 mm | Di,a min. in middle H7 N/A 12.016 mm | ep N/A 1 mm |
CAD
N/A |
| 1415EP63 | B Middle h13 Tolerance N/A 14.865 mm | Do N/A 16 mm | Di N/A 14 mm | Di,a max. in middle H7 N/A 14.086 mm | Di,a min. in middle H7 N/A 14.016 mm | ep N/A 1 mm |
CAD
N/A |
| 1420EP63 | B Middle h13 Tolerance N/A 19.835 mm | Do N/A 16 mm | Di N/A 14 mm | Di,a max. in middle H7 N/A 14.086 mm | Di,a min. in middle H7 N/A 14.016 mm | ep N/A 1 mm |
CAD
N/A |
| 1425EP63 | B Middle h13 Tolerance N/A 24.835 mm | Do N/A 16 mm | Di N/A 14 mm | Di,a max. in middle H7 N/A 14.086 mm | Di,a min. in middle H7 N/A 14.016 mm | ep N/A 1 mm |
CAD
N/A |
| 1515EP63 | B Middle h13 Tolerance N/A 14.865 mm | Do N/A 17 mm | Di N/A 15 mm | Di,a max. in middle H7 N/A 15.086 mm | Di,a min. in middle H7 N/A 15.016 mm | ep N/A 1 mm |
CAD
N/A |
| 1520EP63 | B Middle h13 Tolerance N/A 19.835 mm | Do N/A 17 mm | Di N/A 15 mm | Di,a max. in middle H7 N/A 15.086 mm | Di,a min. in middle H7 N/A 15.016 mm | ep N/A 1 mm |
CAD
N/A |
| 1525EP63 | B Middle h13 Tolerance N/A 24.835 mm | Do N/A 17 mm | Di N/A 15 mm | Di,a max. in middle H7 N/A 15.086 mm | Di,a min. in middle H7 N/A 15.016 mm | ep N/A 1 mm |
CAD
N/A |
| 2010EP63 | B Middle h13 Tolerance N/A 9.89 mm | Do N/A 23 mm | Di N/A 20 mm | Di,a max. in middle H7 N/A 20.104 mm | Di,a min. in middle H7 N/A 20.02 mm | ep N/A 1.5 mm |
CAD
N/A |
| 2015EP63 | B Middle h13 Tolerance N/A 14.865 mm | Do N/A 23 mm | Di N/A 20 mm | Di,a max. in middle H7 N/A 20.104 mm | Di,a min. in middle H7 N/A 20.02 mm | ep N/A 1.5 mm |
CAD
N/A |
| 2020EP63 | B Middle h13 Tolerance N/A 19.835 mm | Do N/A 23 mm | Di N/A 20 mm | Di,a max. in middle H7 N/A 20.104 mm | Di,a min. in middle H7 N/A 20.02 mm | ep N/A 1.5 mm |
CAD
N/A |
| 2030EP63 | B Middle h13 Tolerance N/A 29.835 mm | Do N/A 23 mm | Di N/A 20 mm | Di,a max. in middle H7 N/A 20.104 mm | Di,a min. in middle H7 N/A 20.02 mm | ep N/A 1.5 mm |
CAD
N/A |